技術電話:17301986536加盟電話:13689528587

懸臂梁傳感器MK506
產品特點:MK506懸臂梁式稱重傳感器安裝高度低、綜合精度高、自穩定結構、長期穩定性好,有A、B兩種型式選用;優質合金鋼結構,表面鍍鎳處理。
產品用途:MK506懸臂梁式稱重傳感器適用于電子臺秤、叉車秤、料斗秤和各種配料稱重控制。
量程:5 kN(500kg)、10 kN(1t)、20 kN(2t)、30 kN(3t)
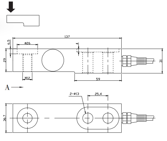
技術參數及外形尺寸:
序號 | 產品技術參數 | |
1 | 額定載荷 | 5-3t |
2 | 準確度等級 | C3 |
3 | 靈敏度 | 2.0±0.002%mV/V |
4 | 非線性(含滯后) | ±0.02%F.S |
5 | 重復性 | ±0.02%F.S |
6 | 蠕變(30分鐘) | ±0.02%F.S |
7 | 零點輸出 | ±1%F.S |
8 | 輸入阻抗 | 400±20Ω |
9 | 輸出阻抗 | 350±2Ω |
10 | 絕緣阻抗 | ≥5000MΩ |
11 | 溫度對零點的影響 | ±0.02%F.S/10℃ |
12 | 溫度對靈敏度的影響 | ±0.02%F.S/10℃ |
13 | 補償溫度范圍 | -20~60℃ |
14 | 適用溫度范圍 | -30~70℃ |
15 | 安全過載 | 120%F.S |
16 | 材質 | 合金鋼 |
17 | 激勵電壓 | 10V(DC) |
18 | 接線方式 | 紅……E+(輸入正) 黑……E-(輸入負) 綠……S+(輸出正) 白……S-(輸出負) |


密克傳感器(深圳)有限公司是傳感器源頭生產廠家,致力于測力傳感器的研發生產。產品達百余種,廣泛應用于各種工業自動化、機器人、化工、食品、冶金以及醫療等新型和智能化高端領域。按結構分有輪輻式傳感器,S型傳感器,波紋管傳感器,法蘭盤傳感器,柱式傳感器,扭矩傳感器,平行梁傳感器,拉力傳感器等等,按功能應用場景分有試驗機專用傳感器,攪拌站傳感器,稱重傳感器,包裝機傳感器,壓裝機傳感器,價格美麗,可定制。
密克斯生產的MK506懸臂梁式稱重傳感器適用于電子臺秤、叉車秤、料斗秤和各種配料稱重控制。
